114-173 GHz WR6 Orthomode Transducer
Frequency Range: 114-173 GHz
High Polarization Isolation: Typically >40 dB
Low Insertion Loss: ≤0.6 dB per channel
Excellent Return Loss: >17 dB
Compact & Symmetric Design: Optimized for easy integration
Robust Construction: Precision-machined aluminum or copper
- Description
- Datasheet
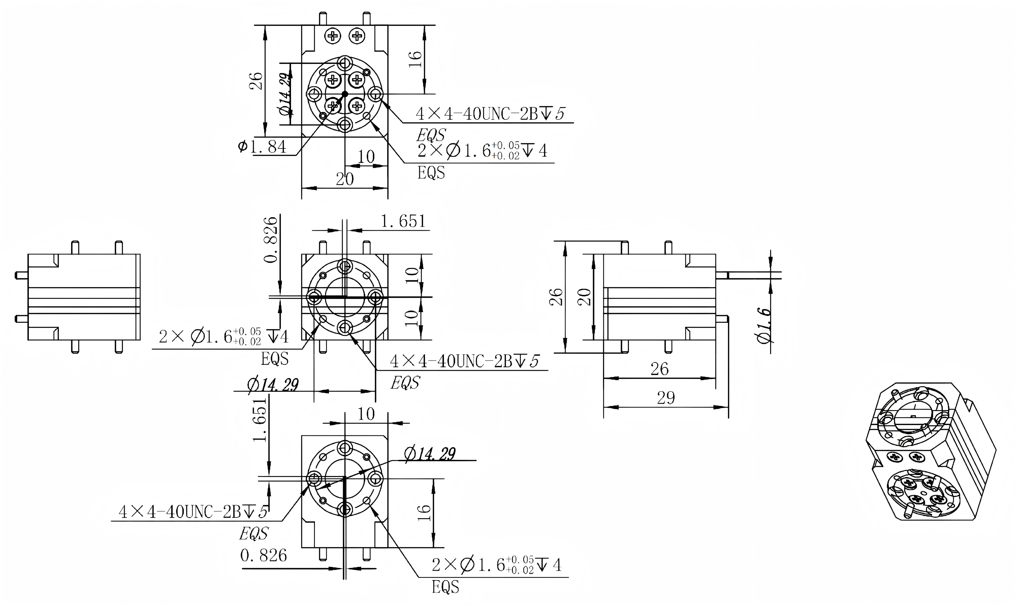
- Outline
- Reviews (0)
Description
The WR6 Orthomode Transducer (OMT) is a precision waveguide component designed to separate or combine two orthogonally polarized signals within the same waveguide interface. It enables dual polarization operation in millimeter wave systems, effectively doubling channel capacity while maintaining excellent isolation and low loss. Ideal for high frequency communication, radar, and radio astronomy applications.
WR6-OMT-114-173 |
|
|
114-173 GHz WR6 Orthomode Transducer |
|
Property |
Value |
|
Min. Frequency (GHz) |
114 |
|
Max. Frequency (GHz) |
173 |
|
Max. Insertion Loss (dB) |
0.6 |
|
Min. Insertion Loss (dB) |
40 |
|
Min. Return Loss(dB) |
17 |
|
Max. VSWR |
1.4:1 |
|
Interface (Common Port) |
WR6 (UG387/U flange) |
|
Sidearm Ports |
2 x WR6 |
|
Weight(g) |
Approx. 80 |
|
Operating Temperature(°C) |
-55 to +95 |
Features |
|
|
High Polarization Isolation |
|
|
Low Insertion Loss |
|
|
Excellent Return Loss |
|
|
Compact & Symmetric Design |
|
|
Robust Construction |
|
Applications |
|
|
High Frequency Communication |
|
|
Radio astronomy |
|
|
Radar |
|




Reviews
There are no reviews yet.