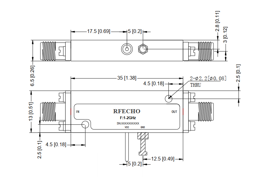
Absorptive Digital Control Attenuator 1 GHz -2 GHz . OVA5001000200A
Rfecho absorption voltage control attenuator includes models covering broadband frequencies from 1GHz to 2GHz , and has low insertion loss and wide dynamic range. Each variable attenuator unit is designed as a solid coaxial package. In most communication systems, the RF components used (transmitter, receiver, mixer, multiplier, attenuator, amplifier, voltage controlled oscillator, phase locked loop) may need a specific power level to operate optimally. In the system network, these power levels may be different due to different components, and it may be necessary to fine-tune the attenuation level to consider the change of the received signal level, or to make the input power of the sensitive circuit best match. They are well suited for use with variable gain amplifiers, power level control, feedforward amplifiers and automatic level control (ALC) circuits.
- Description
- Reviews (0)



.png)
.png)
.png)
.png)
Reviews
There are no reviews yet.