Bandpass Filter From 24.25GHz To 27.50GHz With N-Type 2.92mm(K) M/F Connectors OBP-258750-3250
Cavity bandpass filter part number OBP-258750-3250 is only one product of a wide selection of coaxial RF filter components supplied by RFecho. This RF cavity band pass filter design is built from 24.25GHz to 27.50GHz with N-Type 2.92mm(K) M/F Connectors. The N-Type cavity bandpass filter design is rated for a VSWR of ≤1.5:1 and a maximum power of 10 Watts.
- Description
- Datasheet
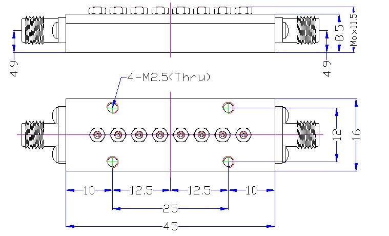
- Outline
- Plot
- Reviews (0)
Description
Cavity bandpass filter part number OBP-258750-3250 is only one product of a wide selection of coaxial RF filter components supplied by RFecho. This RF cavity band pass filter design is built from 24.25GHz to 27.50GHz with N-Type 2.92mm(K) M/F Connectors. The N-Type cavity bandpass filter design is rated for a VSWR of ≤1.5:1 and a maximum power of 10 Watts.
RFecho bandpass filter has a minimum passband frequency of 0.01 GHz and a maximum pass band frequency of 40 GHz. Cavity RF band-pass filter part number OBP-258750-3250 has an insertion loss maximum that is 1.0 dB. More coaxial N-Type bandpass filter design specs for this radio frequency component can be found on its cavity RF bandpass filter PDF specifications datasheet.
RFecho also stocks a large selection of other RF filter products that will ship the same day from our location. RF/microwave and millimeter wave bandpass cavity filter components and other RF parts for radio, antenna, other types of radio frequency component connections in typical use, production, test and measurement labs, military/defense, etc. are in stock and ship same day from our warehouse inventory.









Reviews
There are no reviews yet.