OWR4_Dual-Circularly Polarized Horn
Dual Circular Polarization: Provides independent simultaneous LHCP and RHCP outputs via dual ports, enabling polarization multiplexing and real-time signal discrimination/processing based on polarization state.
High Polarization Purity: Features low Axial Ratio (AR) across the band, ensuring efficient transmission and reception of circularly polarized waves.
Excellent Return Loss: Low VSWR minimizes signal reflection and maximizes power transfer.
High Gain & Stable Patterns: The corrugated horn design offers high gain, low side lobes, and symmetrical E- and H-plane radiation patterns.
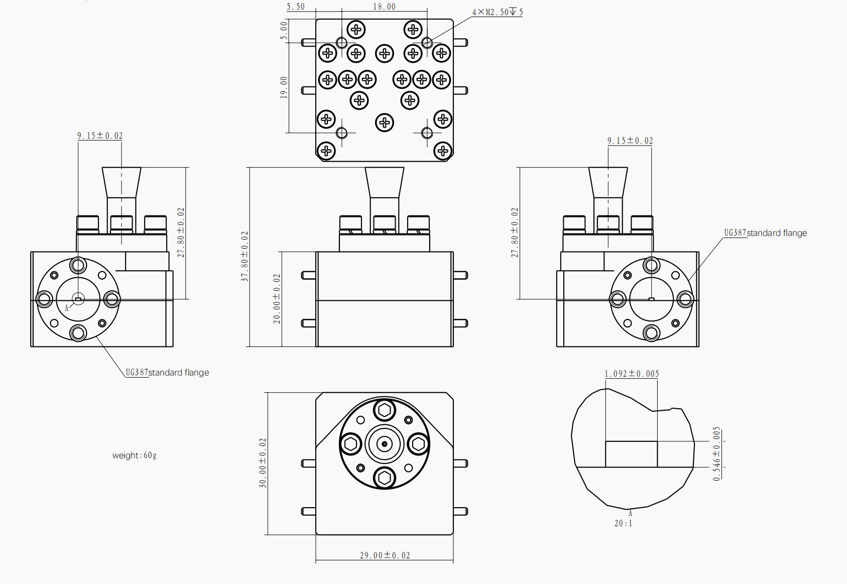
Precision WR-4.3 Interface: Standard UG-387/U flange ensures reliable and repeatable connection to millimeter-wave sources and receivers.
- Description
- Datasheet
- Outline
- Reviews (0)
Description
The Dual-Circularly Polarized Horn is a high-performance, dual-circularly polarized (CP) horn assembly designed for the 205-225 GHz frequency band. It integrates a precision smooth horn with an integrated polarizer to provide excellent polarization purity and stable radiation patterns. The key feature of this product is its ability to provide both Left-Hand Circular Polarization (LHCP) and Right-Hand Circular Polarization (RHCP) from a single compact assembly, making it ideal for advanced communication, sensing, and measurement systems where polarization diversity is critical.
OWR4_Dual-Circularly Polarized Horn |
|
|
OWR4_Dual-Circularly Polarized Horn |
|
Property |
Value |
|
Frequency Range |
205 – 225GHz |
|
Polarization |
Left-Hand (LHCP) and right hand (RHCP) Circular |
|
Gain |
Typ. 20dBi (Nominal) |
|
Axial Ratio (AR) |
<= 1.5 dB (Typical across band) |
|
VSWR / Return Loss |
<= 1.40 >= 17dB |
|
Isolation (LHCP Port to RHCP Port) |
>= 20dB |
|
3-dB Beamwidth |
~ 15degrees (Nominal) |
|
RF Interface (Input) |
WR-4.3 (UG-387/U Cover Flange), 2 ports |
|
Material (Horn) |
Precision-machined Aluminum, with protective coating |
|
Weight |
Approx. 40 grams |
|
Dimensions (L x W x H) |
40 mm (length) x 30 mm x 30 mm |
|
Operating Temperature |
-40℃ to +85℃ |
|
Storage Temperature |
-55℃ to +100℃ |
Features |
|
|
Dual Circular Polarization: Provides independent simultaneous LHCP and RHCP outputs via dual ports, enabling polarization multiplexing and real-time signal discrimination/processing based on polarization state. |
|
|
High Polarization Purity: Features low Axial Ratio (AR) across the band, ensuring efficient transmission and reception of circularly polarized waves. |
|
|
Excellent Return Loss: Low VSWR minimizes signal reflection and maximizes power transfer. |
|
|
High Gain & Stable Patterns: The corrugated horn design offers high gain, low side lobes, and symmetrical E- and H-plane radiation patterns. |
|
|
Precision WR-4.3 Interface: Standard UG-387/U flange ensures reliable and repeatable connection to millimeter-wave sources and receivers. |
|
Applications |
|
|
It is ideal for advanced communication, sensing, and measurement systems where polarization diversity is critical. |
|






Reviews
There are no reviews yet.