OWR4_Dual-Linear Polarized Horn
Dual Linear Polarization: Provides independent, simultaneous Vertical and Horizontal polarized outputs via dual ports, enabling polarization multiplexing and real-time signal discrimination/processing based on polarization state.
High Polarization Purity: Features high Cross-Polarization Isolation across the band, ensuring efficient transmission and reception of linearly polarized waves.
Excellent Return Loss: Low VSWR minimizes signal reflection and maximizes power transfer.
High Gain & Stable Patterns: The horn design offers high gain, low side lobes, and symmetrical E- and H-plane radiation patterns. Precision WR-4.3 Interface: Standard UG-387/U flange ensures reliable and repeatable connection to millimeter-wave sources and receivers.
- Description
- Datasheet
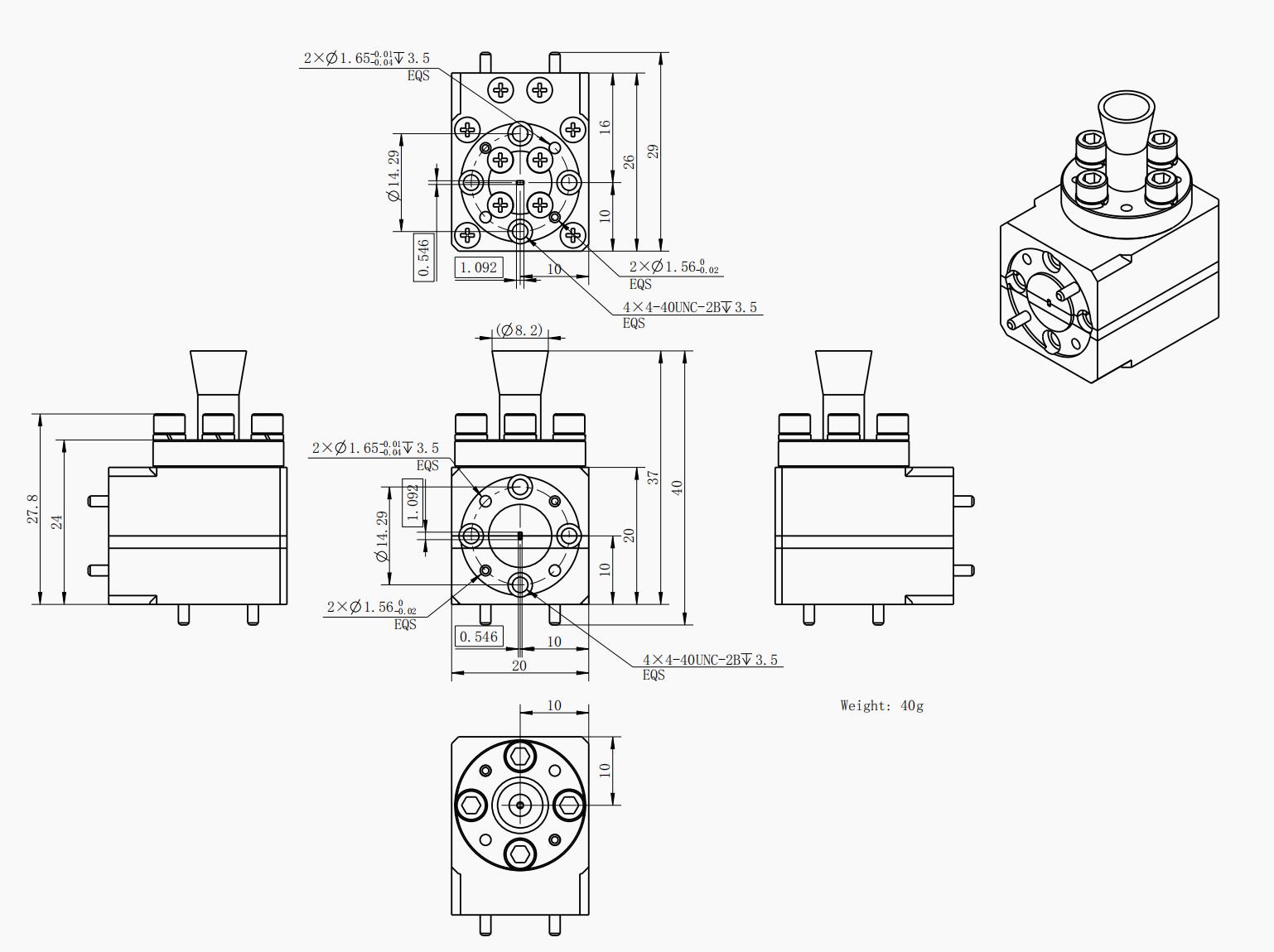
- Outline
- Reviews (0)
Description
The Dual-Linear Polarized Horn is a high-performance, dual-linear polarized horn assembly designed for the 205-222 GHz frequency band. It integrates a precision smooth horn with an integrated Orthomode Transducer (OMT) to provide excellent polarization purity and stable radiation patterns. The key feature of this product is its ability to provide two orthogonal linear polarizations (Vertical and Horizontal) from a single compact assembly, making it ideal for advanced communication, sensing, and measurement systems where polarization diversity is critical.
OWR4_Dual-Linear Polarized Horn |
|
|
OWR4_Dual-Linear Polarized Horn |
|
Property |
Value |
|
Frequency Range |
205 – 222GHz |
|
Polarization |
Vertical & Horizontal |
|
Gain |
Typ. 20dBi (Nominal) |
|
Cross-Pol Isolation |
>= 25 dB |
|
VSWR / Return Loss |
<= 1.40 >= 17dB |
|
Isolation (Port to Port) |
>= 40dB |
|
3-dB Beamwidth |
~ 15degrees (Nominal) |
|
RF Interface (Input) |
WR-4.3 (UG-387/U Cover Flange), 2 ports |
|
Material (Horn) |
Precision-machined Aluminum, with protective coating |
|
Weight |
Approx. 40 grams |
|
Dimensions (L x W x H) |
40 mm (length) x 27 mm x 20 mm |
|
Operating Temperature |
-40℃ to +85℃ |
|
Storage Temperature |
-55℃ to +100℃ |
Features |
|
|
Dual Linear Polarization: Provides independent, simultaneous Vertical and Horizontal polarized outputs via dual ports, enabling polarization multiplexing and real-time signal discrimination/processing based on polarization state. |
|
|
High Polarization Purity: Features high Cross-Polarization Isolation across the band, ensuring efficient transmission and reception of linearly polarized waves. |
|
|
Excellent Return Loss: Low VSWR minimizes signal reflection and maximizes power transfer. |
|
|
High Gain & Stable Patterns: The horn design offers high gain, low side lobes, and symmetrical E- and H-plane radiation patterns. Precision WR-4.3 Interface: Standard UG-387/U flange ensures reliable and repeatable connection to millimeter-wave sources and receivers. |
|
Applications |
|
|
It is ideal for advanced communication, sensing, and measurement systems where polarization diversity is critical. |
|






Reviews
There are no reviews yet.