HOT
Absorptive Coaxial SPST Switch from 8GHz to 40GHz .OSA0108004000A
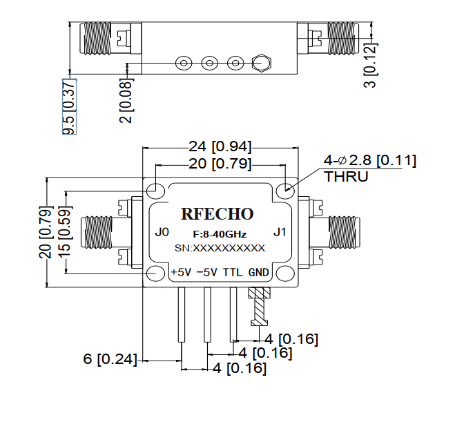
Rf echo Absorptive Coaxial Mechanical Switch is an active microwave device, and its frequency range from 8GHz to 40GHz . our Absorptive Coaxial Mechanical Switch has Magnetic latching, Operating life of 1 million cycles, etc.
Rf echo Absorptive Coaxial Mechanical Switch is commonly used in Wireless Infrastructure, RF Microwave & VSAT, 5G communicationFiber Optics, Test and measurement Instrument and other applications.
- Description
- Reviews (0)



.png)
.png)
.png)
Reviews
There are no reviews yet.