Ferrite Devices OIS-270400-16-14-KMKF-I
Model OIS-270400-16-14-KMKF-I is a full Ka band coaxial isolator that covers the frequency range of 26.5 to 40GHz.
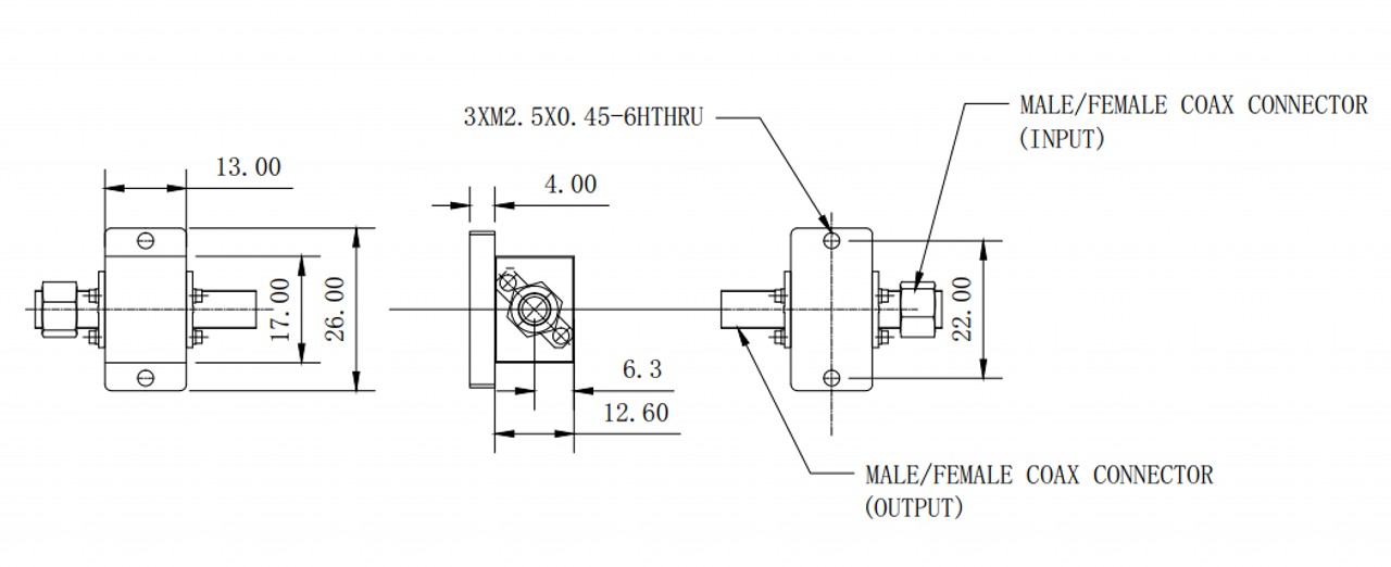
The full band isolator is designed andmanufactured to provide an insertion loss of 1.6dB typical with good flatness. The isolator also offers a moderate isolation of 14dB and a high-power handling for system integration.The input port is K (M)
- Description
Description
|
Ferrite Devices |
|||
|
|
|||
|
Model OIS-270400-16-14-KMKF-I is a full Ka band coaxial isolator that covers the frequency range of 26.5 to 40GHz. The full band isolator is designed and manufactured to provide an insertion loss of 1.6dB typical with good flatness.
The isolator also offers a moderate isolation of 14dB and a high-power handling for system integration. The input port is K (M)
Features Low Insertion Loss Moderate Isolation Compact Configuration
|
Applications Port Isolation Module Integration |
||
|
Part No. |
OIS-270400-16-14-KMKF-I |
||
|
RF Frequency Range(GHz) |
26.5-40 |
||
|
Insertion Loss(dB) |
1.6 |
||
|
Isolation(dB) |
14 |
||
|
Return Loss(dB) |
12 |
||
|
Forward Power Handling(W) Reverse Power Handling(W) Specification Temperature Operating Temperature Impedance |
10 1 +25 °C -40°C~+80 °C 50 Ω |
||
|
|
|
||




